- 壓力變送器系列
- 通用型壓力變送器
- 工業型壓力變送器
- 衛生型壓力變送器
- 數顯型壓力變送器
- 高溫型壓力變送器
- 差壓型壓力變送器
- 潛水型壓力變送器
- 經濟型壓力變送器
- 智能型壓力變送器
- 高壓型壓力變送器
- 壓縮機專用壓力變送器
- 差壓變送器系列
- 智能壓力變送器
- 智能絕對壓力變送器
- 智能差壓變送器
- 智能微差壓變送器
- 智能高靜壓差壓變送器
- 智能單法蘭液位變送器
- 智能單法蘭插入式液位變送器
- 智能遠傳差壓變送器
- 智能遠傳插入式差壓變送器
- 智能遠傳壓力變送器
SLK3051DP-R智能遠傳差壓變送器

產品概述
遠傳裝置是用于防止管道中的介質直接進入變送器里的壓力傳感器組件中,它與變送器之間是靠注滿流體的毛細管連接起來的。SLK3051DP-R智能遠傳差壓變送器用于測量液體、氣體或蒸汽的液位、密度和壓力,然后將其轉換為4~20mA DC信號輸出。SLK3051DP-R智能遠傳差壓變送器也可與HART手操器相互通訊,通過它進行設定、監控。
性能規格
(零基準校驗范圍,參考條件下,硅油充液,316L不銹鋼隔離膜片)遠傳裝置是用于防止管道中的介質直接進入變送器里的壓力傳感器組件中,它與變送器之間是靠注滿流體的毛細管連接起來的。SLK3051DP-R智能遠傳差壓變送器用于測量液體、氣體或蒸汽的液位、密度和壓力,然后將其轉換為4~20mA DC信號輸出。SLK3051DP-R智能遠傳差壓變送器也可與HART手操器相互通訊,通過它進行設定、監控。
性能規格
| 參考精度 | ±0.075%校驗量程 | |
| 穩定性 | ±0.1%URL(6個月) | |
| 環境溫度影響 | 零點誤差 | ±0.2%URL/56℃ |
| 總體誤差 | ±(0.2%URL+0.18%校驗量程)/56℃ | |
| 靜壓影響 | 零點 | 在13790kPa下,對于量程4和5為±0.2%URL,其他量程為±0.25%URL(零點誤差可在線通過調零修正) |
| 量程 | 可修正至±0.25%輸出讀數/6895kPa | |
| 振動影響 | 在任意軸向上,200Hz下震動影響為±0.5%URL/g | |
| 電源影響 | <±0.005%輸出量程/伏特 | |
| 負載影響 | 沒有負載影響,除非電源電壓有變化 | |
| 電磁干擾/射頻干擾(EMI/RFI影響) | 由20至1000MHz,場強達至30V/M時,輸出漂移小于±0.1%量程 | |
功能規格
| 測量范圍 | 見訂購指南 | |
| 零點與量程 | 可用本機量程和零點按鈕調整或用HART手操器遠程調整 | |
| 零點正、負遷移 | 零點正遷移時,量程上限必須 ≤+URL;零點負遷移時,量程下限必須≥-URL。(校驗量程必須大于或等于最小量程) | |
| 輸出信號 | 4~20mA DC,用戶可選擇線性或平方根輸出,數字過程變量疊加在4~20mA DC信號上,可共采用HART協議的上位機使用 | |
| 環境溫度極限 | 不帶液晶表頭 | -40~85℃ |
| 帶液晶表頭 | -20~60℃ | |
| 過程溫度極限 |
普通硅油 高溫硅油 氟油 惰性液 |
-40~149℃ |
| 15~315℃ | ||
| -45~205℃ | ||
| -18~177℃ | ||
| 貯存溫度極限 | 不帶液晶表頭 | -46~110℃ |
| 帶液晶表頭 | -40~70℃ | |
| 環境濕度 | 0-100%相對濕度 | |
| 靜壓與過壓極限 | 變送器任意一側加0~13.79MPa壓力不會引起損壞,在3.45kPa~13.79Mpa的靜壓范圍內工作時符合性能規格要求 | |
| 容積變化量 | <0.16cm³ | |
安裝
| 電源及負載條件 |
![]() |
|
| HART通訊 | 通訊要求 | 要求有一個最小250Ω電阻 |
| 通訊距離 |
![]() |
|
物理規格
| 接液部分材質 | 接液膜片 |
316L不銹鋼、哈氏合金C-276、蒙乃爾或鉭 (每種型號可選材料參見訂購指南) |
| 膜盒墊圈和過程接頭墊圈 | 氟橡膠等其他材料 | |
| 非接液部分材質 | 螺栓 | 不銹鋼 |
| 電子外殼 | 低銅合金鋁,符合NEMA 4X | |
| 表蓋O型圈 | 丁腈橡膠 | |
| 銘牌和位號牌 | 不銹鋼 | |
| 填充液 | 硅油或惰性液 | |
| 連接 | 參見訂購指南確定過程接口 | |
外形結構
|
外形圖 單位:mm |
![]() |
訂購指南
| SLK3051DP-R | 智能遠傳差壓變送器 | ||||||||
| 代號 | 測量范圍 | ||||||||
|
4 5 6 7 8 |
0-6.2~37.4kPa 0-31~186.8kPa 0-117~690kPa 0-345~2068kPa 0-1170~6890kPa |
||||||||
| 代號 | 輸出信號 | ||||||||
|
E S L |
4~20mA 4~20mA,HART協議數字通訊 4~20mA,智能現場可調 |
||||||||
| 代號 | 遠傳裝置 | ||||||||
| 高壓側 | 低壓側 | ||||||||
|
1 2 3 4 5 |
PFW/RTW PFW/RTW EFW EFW EFW |
普通引壓接頭 PFW/RTW 普通引壓接頭 EFW PFE/RTW |
|||||||
| 代號 | 毛細管長度 | ||||||||
|
L1 L2 L3 L4 L5 |
1.5 mm 3.0 mm 4.5 mm 6.0 mm 7.5 mm |
||||||||
| 代號 | 顯示表頭(可選項) | ||||||||
|
M1 M2 M3 M4 |
線性指示表(0-100%刻度) 平方根指示表(0-100%刻度) 31/2位LCD液晶顯示表(0-100%線性) 31/2位LCD液晶顯示表(可特殊設定) |
||||||||
| 代號 | 安裝支架 | ||||||||
|
B1 B2 B3 |
管裝彎支架(管外徑Φ50~Φ60) 板裝彎支架 管裝直支架(管外徑Φ50~Φ60) |
||||||||
| 代號 | 特殊規格 | ||||||||
|
S d i |
標準型(無防爆) 隔爆型:Exd Ⅱ CT6 本安型:ExiaⅡ CT6 |
||||||||
SLK3051DP-R 4 S 1 L1 M1 B1 s 典型型號 |
注:1、遠傳裝置選型參見附錄一
2、若對產品有特殊要求,本公司可提供定制。
附錄一 遠傳裝置尺寸與選型
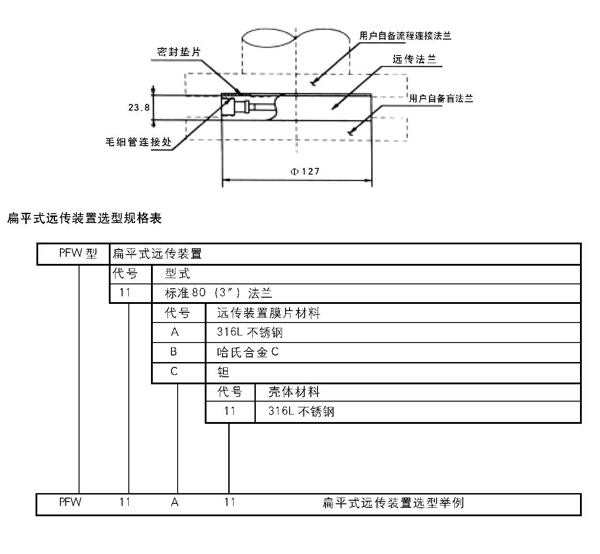
PFW扁平式遠傳裝置

PFW扁平式遠傳裝置

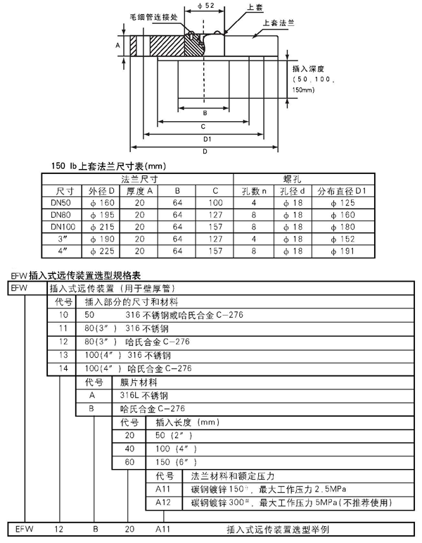
EFW扁平式遠傳裝置

產品信息歸西安仕樂克儀表科技有限公司版權所有
http://www.m.hkchinese.com/view-47-1.html
相關文章推薦:壓力變送器選取壓點應符合的幾個規定 壓力變送器的正負遷移 壓力變送器微調的具體操作步驟 供熱電廠壓力變送器工作原理 壓力開關與傳感器的設計了解 壓力變送器主要作用 智能壓力變送器的作用及特點 壓力變送器主要從哪些方面檢定技術 如何延長壓力變送器的使用壽命 壓力變送器使用時需要注意哪些事項 壓力變送器在冬季如何防凍保溫【儀表防凍通用 擴散硅壓力變送器在水位控制系統中的應用 壓力變送器系列中的五大分類 壓力變送器的正負遷移 常用壓力變送器的工作原理和特點
上一篇:智能單法蘭液位變送器
下一篇:智能遠傳壓力變送器






典型型號